
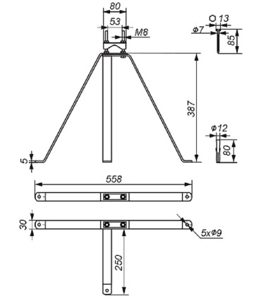
Obejma kominowa ze stali nierdzewnej (INOX) +...
257,00 zł
netto
316,11 zł
brutto

Obejma zaciskowa OZ-50 M8
4,83 zł
netto
5,94 zł
brutto

Obejma zaciskowa OZ-60 M8
5,55 zł
netto
6,83 zł
brutto







